Material Quality & Style of Our Stainless Valves
Stainless steel is revered for its ability to withstand harsh temperatures, pressure, and chemicals exposure. This extremely tough material comes in two common types, 304 and 316. Our stainless valves are 316 - which means they are a purer steel that is higher in quality. We carry multiple styles of stainless steel valves, including: ss ball valves, ss butterfly valves, ss check valves and ss gate valves. Each serves a different purpose. Stainless steel valves are used in varying industries around the world from chemical processing to water management and food production.
GEM & Sharpe Multi Piece Stainless Steel Valves
Our stainless steel ball valves come from two of the top brands in the industry - Sharpe and GEM. Both companies make an outstanding 2 piece ball valve from 316 SS that come in 1/2" size up to 2". Did you know a 2" stainless steel ball valve can stand up to 1000 psi WOG? That's a lot of pressure! These valves feature quarter-turn handles with blowout-proof stems.
Types of Stainless Steel Valves
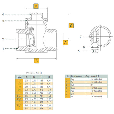
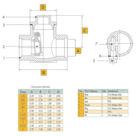
Check valves are used to prevent backflow in a pipe line. Our stainless steel ball check valves use a sphere inside the valve body to allow flow in only one direction. This is vital for systems that involve filtering or water purification. Stainless steel is a fantastic material for applications that deal with water and a slew of other materials.
Gate valves serve as an on/off functioning valve. A disc or "gate" inside the valve is raised and lowered as the handle is turned. These valves are not recommended for regulating flow, as this can damage the disc mechanism. Gate valves come in two styles - rising stem and non-rising stem.
Ready to order? Give us a call at 866-777-8001 or Get a Quote! Our prices are so low we can't advertise them online!
